اولین تجربه من از نقشه خوانی سازه:
اولین تجربه من از نقشه خوانی سازه مربوط به سالها پیش است وقتی به عنوان دستیار ناظر در یک شرکت مشاور مشغول به کار شدم.
البته من از اولین تجربه نقشه خوانی سازه ام خاطره خوبی ندارم. زیرا بدون داشتن مهارت و تجربه کافی در این زمینه اولین بار به تنهایی برای نظارت به پروژه رفتم.
البته ابتدا فکر میکردم ساده است. چون ضوابط و آیین نامه ها را خوانده بودم. اما وقتی نقشه را بدست گرفتم ، گیج و سر در گم شدم. هر چه نقشه را بررسی می کردم گیج تر می شدم. یادم می آید کلی عرق ریختم. دست پاچه شده بودم.
ساختمان در مرحله اجرای سقف بود ولی در طبقات پایین بخشی از دیوار چینی ها هم انجام شده بود. فقط می دانستم همه چیز باید طبق نقشه باشد. اما نمیدانستم باید از کجا شروع کنم. چه آیتم هایی را باید بررسی کنم.
ساختمان هم خیلی بهم ریخته بود. همه جا پر از نخاله بود. در زیرزمین ساختمان بودم که پایم هم درون چاله ای که با نخاله روی آن پوشیده شده بود فرو رفت و پیچ خورد…
متاسفانه یا خوشبختانه به جز نگهبان، هیچ کس هم در ساختمان حضور نداشت که من را در آن شرایط ببیند. تنها آرزویم در آن لحظه این بود که آن روز تمام شود و فردا بشود…
دستم پر از وسایل بود. یک دستم چک لیست بود. یک دستم متر لیزری شرکت ،یک دستم کیف یک دستم نقشه سااختمان. ( این که شد چهار تا دست؟؟)
از طرفی یک قرار ضروری هم داشتم. مدام تلفنم زنگ میخورد و استرس من را بیشتر میکرد. فقط میخواستم از آنجا بیرون بیایم.
بعد از کلنجار رفتن با خودم به این نتیجه رسیدم که رها کنم و از آنجا بیرون آمدم. تمام نگرانی ام این بود که اگر خلافی شده باشد و من ندیده باشم. چه؟
تصمیم گرفتم در فرصت مناسب تر سر ساختمان بیایم ولی این بار با آمادگی کامل و شاید با یک همراه با تجربه.
آن روز با همه سختی هایش گذشت. البته متر لیزری شرکت را که ۴۰۰ هزار تومن قیمتش بود، در آن ساختمان گم کردم و مجبور شدم دو سوم حقوقم را در آن ماه بدهم و یک متر لیزری مثل همان را برای شرکت بگیرم.
همه این مشکلات به خاطر این بود که من درست نقشه خوانی سازه را خوب بلد نبودم.
بعد از آن بود که به ضعف های خودم در نقشه خوانی سازه، پی بردم، و تصمیم گرفتم، آن را برطرف کنم. بعدا، نقشه خوانی سازه تبدیل شد به یکی از نقاط قوت من.
در نقشه خوانی سازه، علاوه بر این که آیتم های نقشه را می خوانید، باید بتوانید آن ها را تحلیل کنید. با این کار ایراد های نقشه و اشتباهات طراح را تشخیص می دهید. البته تحلیل نقشه های سازه نیاز به تجربه زیادی دارد و زمان می برد تا در این زمینه مسلط شوید.
برای یک ساختمان چهار گروه نقشه لازم است. نقشه محاسبات یا سازه، نقشه معماری، نقشه تاسیسات برقی و نقشه تاسیسات مکانیکی. معمولاً تا مرحله سفت کاری با دوتای آخری کاری نداریم. البته در تخصص یک مهندس عمران هم نیست.
در اینجا قصد دارم در مورد نقشه های سازه اطلاعاتی در اختیارتان قرار دهم. هر نقشه قسمت های اصلی دارد که تقریبا در همه نقشه ها مشترک است. فایل های نمونه ای از شیت های مختلف یک نقشه سازه را برایتان قرار داده ام. می توانید فایل های پی دی اف مربوط به هر کدام را با کیفیت بالا دانلود و بررسی نمایید.
کادر اطلاعات ساختمان :
در این کادر اطلاعاتی مثل نام مالک. شماره پرونده، پلاک ثبتی، مساحت طبق سند.نام مهندس طراح و …آمده است. شما باید این مشخصات را با مشخصاتی که در پروانه
ساختمانی آمده تطبیق دهید. همچنین نقشه باید دارای مهر دفتر خدمات شهرداری و مهر مهندس طراح باشد. همیشه اول کار این بخش را کنترل کنید و بعد به سراغ نقشه خوانی سازه بروید. زیرا در این مورد تقلبات بسیاری انجام می شود و برخی سازنده ها نقشه دلخواه خود را به جای نقشه تایید شده به ناظر نشان می دهند.
توضیحات فنی :
در این قسمت یک سری توضیحات فنی و عمومی مربوط به بخش های مختلف سازه آمده که اکثرا فکر میکنند بلد هستند و از آن میگذرند، در صورتی که در نقشه خوانی سازه باید به دقت این قسمت مطالعه شود.
یک نکته مهم وجود دارد. در این قسمت محاسب باید مشخصات مقاومتی بتن فونداسیون و سایر اعضای سازه ای را قید کند. شما نتایج تست بتن و همچنین فایل محاسباتی ساختمان را در صورتی وجود داشته باشد با آن باید بسنجید. همچنین اگر مصالح خاصی مد نظر طراح باشد، باید در این قسمت درج کند.
مثلا اگر سبک سازی انجام داده باشد، باید قید کند که مثلا در دیوار چینی از چه مصالحی با چه وزن مخصوصی استفاده شود.
دانلود فایل پی دی اف – توضیحات ۱
دانلود فایل پی دی اف – توضیحات ۲
دانلود فایل پی دی اف توضیحات ۳
سازه نگهبان :
یکی از بخش های مهم در نقشه خوانی سازه، نقشه های اجرایی سازه نگهبان است. متاسفانه طراحان سازه، خیلی به این بخش توجه نمی کنند و معمولا از نقشه های تیپ استفاده می کنند. در صورتی که سازه نگهبان باید برای هر سازه ای به صورت یونیک طراحی شود. البته وظیفه سازنده و ناظر این است که هر آنچه که در نقشه سازه نگهبان آمده بدون تغییر اجرا نمایند.
اگر هنگام نقشه خوانی سازه متوجه شدید که نقشه سازه نگهبان دارای ایراد است باید آن را به طراح منعکس کنید. نه اینکه خودتان دست به تغییر در اجرای سازه نگهبان بزندی. شاید با توجه به شرایط پروژه نیاز باشد تغییراتی در نقشه اجرایی بدهید.
همچنین در این قسمت توضیحاتی در مورد روش پایدار سازی و نگهداری خاک آورده است. اجرای سازه نگهبان و پایدار سازی گود از حساس ترین بخش های اجرای ساختمان هست که یک سازنده باید در آن مهارت داشته باشد. در این مرحله شناخت نسبی از خاک و عملکرد آن هم لازم است.
دانلود فایل پی دی اف سازه نگهبان
در آموزش جامع گودبرداری و اجرای سازه نگهبان کلیه نکات اجرایی سازه نگهبان و پایدار سازی گود را در قالب فیلم و تصویر توضیح داده ایم.
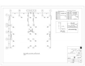
پلان فونداسیون، آکس بندی و صفحه ستون :
پلان های رسم شده در نقشه ها معمولا Scale هستند و با کمک آن می توان ابعاد و عمق خواسته شده برای پِی کنی را درآورد؛ نوار های فونداسیون و گلدانی ها و محل آسانسور رامشخص نمود؛ و همچنین آکس ستون ها را پیاده کرد. البته پیاده سازی آکس ستون ها نیازمند مهارت و تبهر در این زمینه است.
میلگردهای طولی و عرضی و فواصلآن، ابعاد و تیپ بندی صفحه ستون ها (در نقشه ساختمان فلزی) برش و دیتایل اجرایی چالهآسانسور مشخصات بولت ها و… از دیگر اطلاعات این صفحه است.
در اجرای سازه پیاده کردن آکس ستون ها مطابق نقشه بسیار اهمیت دارد. به خصوص در سازه های فلزی اجرای بیس پلیت، آکس بندی و شاغول کردن ستون ها نیاز به مهارت و تبهر دارد.
نقشه خوانی سازه – پلان فونداسیون
دانلود فایل پی دی اف صفحه ستون
در آموزش نقشه خوانی و نکات اجرایی سازه فلزی، این موارد به صورت کامل در قالب فیلم و تصاویر فراوان توضیح داده شده است.
برش ستون ها :
مقطع ستون و برش طولی آنها و همچنین تیپ بندی آن در این صفحه مشخص شده است.تراز طبقات و محل وصله ستون را نیز در این صفحه مشخص می کنند. در ستون های بتنی تعداد و اندازه میلگرد ها نیز مشخص شده است.
دانلود فایل پی دی اف برش ستون ها
پلان تیر ریزی و برش تیرها :
از قسمت های مهم و پر حجم نقشه ها است. محل رمپ ها، تیر ها و دال ها در این صفحه برای هرطبقه مشخص شده است. جهت و نوع تیرچه ها (تک یا دوبل) یا نوع سقف در این نقشه مشخص شده است.محل کلاف های عرضی و همچنین برش و مقطع تیرها تیپ بندی آنها در این قسمت قابل بررسی است. در پلان فلزی گیرداری یا مفصلی بودن اتصالات نیز مشخص است.
دانلود فایل پی دی اف پلان تیر ریزی
نمایش قاب ها ( بادبند- دیوار حائل و برشی )
در برش تیپ بادبند ها و مقاطع آن و همچنین دیتایل اتصالات آن نمایش داده شده است.اتصالات شامل ورق های گوشه و گاست پلیت می باشد( گاست پلیت ورق میانی محل تقاطع دو بادبند می باشد.) دیوار برشی نیز میلگردهای قائم و افقی و فواصل آن ها و سنجاق های آن نمایش داده شده است. در ساختمان های فلزی دارای دیوار برشی روی ستونهای دوطرف دیوار برش گیر اجرا می شود.
دانلود فایل پی دی اف پلان و جزییات دیوار حائل
دانلود فایل پی دی اف جزییات و برش دیوار برشی
اتصالات:
جزییات اتصالات بخ خصوص در سازه های فلزی تنوع و اهمیت ویژه ای دارد. اتصالات می تواند گیردار نیمه گیردار یا مفصلی باشد. در سازه های بتنی عمدتاً با اتصالات گیردار سر و کار داریم. اتصالات شامل اتصالات تیر به ستون، اتصالات تیر به تیر، وصله ستون ها و … می باشد.
هر نوع اتصال نکات اجرایی مخصوص به خود را دارد. در آموزش نقشه خوانی و نکات اجرایی سازه فلزی به تفصیل در این باره توضیح داده ایم.
دانلود فایل پی دی اف وصله ستون
دانلود فایل پی دی اف جزییات اتصال گیردار
دانلود فایل پی دی اف اتصالات مفصلی و اتصال تیر به تیر
دیتایل های اجرایی:
دیتایل ها یا جزییات اجرایی بسته به نوع و اجزای ساختمان متغیر است. معمولا در نقشه های فاز دو ارائه دیتایل های دقیق ضروری است و در نقشه های فاز ۱ معمولا دیتایل ها را در قالب یک تا دو صفحه ارائه می کنند.
در نقشه خوانی سازه معمولا از این قسمت نیز غفلت می شود. حتما هنگام نقشه خوانی سازه این قسمت ها را هم مانند سایر قسمت ها مطالعه کنید. معمولاً اطلاعات جالبی در این دیتایل ها وجود دارد.

دانلود فایل پی دی اف دیتایل های اجرایی
سعی کنید در هر روز نقشه یک ساختمان را به دقت نگاه کنید. اطلاعات آن را مطالعه و با یکدیگر مقایسه کنید. با این کار پس از مدتی چشم شما به دیتایل های نقشه عادت کرده و با آن ها راحت می شود. حتما از یک آموزش مناسب در این زمینه استفاده کنید.
نقشه خوانی سازه از مهارت های پایه ای در مهندسی عمران است. باید گام های نقشه خوانی را یکی یکی طی کنید تا در آن تبهر پیدا کنید.
بهترین راه برای اینکه تحلیل نقشه سازه را یاد بگیرید این است که با محاسبات و نقشه کشی سازه آشنا باشید. کسی که خودش محاسبه و نقشه کشی سازه را بلد باشد خیلی راحت می تواند به ایراد ها و اشکالات نقشه پی ببرید. ضمن این که محاسبات و نقشه کشی سازه، خودش یک منبع درآمد خوب است.
پیشنهاد میکنم از آموزش طراحی و تهیه نقشه های سازه که در این زمینه برایتان تدارک دیده ایم شرکت کنید.
امیدوارم از این مقاله استفاده کافی را برده باشید. در پایان پیشنهاد می کنم ، برای دریافت مطالب مفید در زمینه مهندسی و ساختمان، فرم زیر را تکمیل نمایید. اگر نظر یا سوالی هم در مورد محتوای این مقاله دارید در بخش نظرات با ما در میان بگذارید.
مهندس علی قربانی هستم؛ کارشناس مقررات ملی ساختمان و مشاور در امور ساخت و ساز















با سلام مهندس*علاقه مندم نقشه خوانی را بطور کامل یاد بگیرم چطور میتونم از نزدیک با شما در ارتباط باشم؟
سلام. نقشه خوانی یکی از مهارت های ضروری در حوزه عمران است. به زودی آموزش های بیشتری در این خصوص در سایت قرار داده خواهد شد تا شما دوست عزیز و سایر کاربران سایت استفاده نمایند. جهت اطلاعات بیشتر و هر گونه سوال می توانید با شماره های تماس درج شده در سایت تماس بگیرید.
ممنون از شما
مهندس از رو نقشه سازه .نه معماری. چجوری میشه فهمید پله از کجا شروع شده؟ چون تو قسمت پله علامتی چیزی وجود نداره
سلام . معمولا در نقشه سازه دیتایل اجرایی راه پله را میگذارند. برای دیدن جهت راه پله باید به نقشه معماری مراجعه کنید. در پلان ها یا برش معماری اگر دقت کنید مشخص است.
اگر اسانسور وجود داشته باشد وخودش و راه پله در باکس دیوار برشی قرار داشته باشد مثلا دیوار برشی U شکل معمولا فیلتر آسانسور تعبیه میشه(فضایی که از اسانسور بیرون میای و داخل واحد میشی).دقیقا در اینگونه موارد شروع راه پله از طبقه همکف دقیقا روبروی آسانسور انطرف ضلع دیوار برشی است.و اتمام راه پله در طبقه بعدی هم در همان جهت است که وارد فیلتر اسانسور شده و از انجا به واحدهای طبقه دسترسی داریم.
با سلام .واقعا مطالبتون عالی هستند. خسته نباشد و خدا قوت
خیلی خوب بود مرسی
خیلی ممنونم از مطالب مفیدتون
خوب بود ولی برای تازه کارهها بهتر است داخل نقشه ها جزییات را قشنگ باز کنید تا واضح باشد
جناب مهندس قربانی عزیز واقعا سپاس گزارم از مطالب مفیدتون
سلام مطالب مفیدی بود فقط اگه ممکنه در مورد سازه های اسکلت بتنی هم توضیحات داده شود.
سلام
ممنون
در خصوص سازه های بتنی می توانید از محصول آموزش نقشه خوانی و نکات اجرایی سازه بتنی استفاده نمایید.
سلام جناب مهندس ممنون از مطالب مفیدتون .
امکانش هست برای نظارت معماری و نقشه خوانی معماری هم توضیحاتی بفرمایید یا سایتی رو معرفی بفرمایید .
سپاس بیکران
سلام. وقت شما بخیر.
سایت های زیادی هستند. بنده خیلی در این زمینه دقت نکردم. در همین سایت نیز به زودی در خصوص معماری نیز مطالب مفیدی قرار خواهیم داد.
سلام مهندس خوبید من دارم یه مقاله در مورد مشکلات نقشه های ساختمانی اجرا می نویسم در این مورد اطلاعات دارید؟؟؟
سلام.
بله. اما موضوع مقاله تان خیلی کلی است. سوالات دقیقی باید بپرسید تا اگر بلد بودم جواب دهم.
چه سایت عالی ای ! من دارم از اینجا کار عمرانی رو یاد میگریم و این چیزا رو تو دانشگاه ندیدم . کتاب هندبوک نظارتتون هم خیلی عالیه. ان شالله با کمک همین سایت و افراد دلسوز مثل شما ، ما هم بتونیم کار عمرانی بیرون رو یاد بگیریم و وارد بازار کار رشته مون عمران بشیم و همینطور دعاگوی شما هستیم
سلام.
خواهش میکنم.
ممنون از لطف شما.
سلام
ممنون از اطلاعات مفیدتون
منظور از گلدانی محل ستونهاست؟
سلام . خواهش می کنم.
گلدانی همان بازشو های فونداسیون است که بین نوار های فونداسیون قرار میگیرد و عموما با خاک پر می شود.
به اصطلاح چاله فونداسیون هم میگن.
سلام مهندس خسته نباشی من اگر بخام در رابطه نقشه خوانی سی دی اموزشی هست اگر هست ممنون میشم بهم معرفی گنید
سلام. بله قربان. هم نقشه خوانی بتنی داریم هم نقشه خوانی فولادی داریم. می تونید از لینک های زیر برای تهیه آموزش ها استفاده نمایید:
آموزش نقشه خوانی و نکات اجرایی سازه های بتنیآموزش نقشه خوانی و نکات اجرایی سازه های فولادی
سلام خسته نباشید من میخوام یک ساختمان سه طبقه بسازم ولی نمیتونم تعداد میلگرداشو در بیارم از مطالب اینترنتیم فقط اینو فهمیدم که با مساحت تعدادشد بدست بیارم ایا پیمانکار هایی که اصلا مهندسی نخوندن هم اینگونه تعداد میلگردهارو بدست میارم یا راه دیگری دارد اگر هست لطفل لطفا کمکم کنید واجب والازم است
سلام. برای محاسبه میلگرد و ابعاد تیر و ستون باید ساختمان طراحی بشه و بعد نقشه هاش تهیه بشه که نیاز به دانش مهندسی داره. شما می تونید نقشه معماری رو برامون بفرستید تا طراحی کنیم و نقشه بهتون بدیم. می تونید با این شماره تماس بگیرید تا بیشتر راهنماییتون کنم. ۰۹۱۹۶۸۳۵۵۶۵
سلام و خدا قوت به شما
ببخشید می خواستم در مورد تعرفه نقشه سازه و نقشه معماری سوال کنم یکی از جاهایی که من سوال کردم در شهر یزد برای معماری زمین ۱۶۵ متری ۸۰۰۰ تومان و برای نقشه سازه ۳۰۰۰ تومان به نظر شما خیلی زیاد نیست
و اینکه نقشه سازه همان عمران است یا نه
ممنونم
سلام
خیلی ممنونم طراح
تعرفه خدمات مهندسی بر اساس گروه بندی ساختمان ها (تعداد طبقات) تعیین می شود. برای مثال تعرفه طراحی برای ساختمان های گروه ب (۳ تا ۵ طبقه) برای طراحی سازه (همان عمران) در حال حاضر (سال ۹۸) ۵۸۵۰ تومان و برای طراحی معماری ۶۲۰۰ تومان می باشد. با این اوضاف قیمت طراحی معماری را به شما زیاد گفته اند و قیمت طراحی سازه را کمتر از تعرفه گفته اند.
سلام مهندس خسته نباشید
میخواستم بدونم فونداسیون چی هست ممنون.
سلام.
پی ساختمان که بار ساختمان را به زمین منتقل می کند